产品详情
气动沟槽碟阀
          
 
 
概述: 
   D681X气动沟槽碟阀是采用国外先进技术及本公司多次改进设计。以碳钢为主要材质,阀体采用厚壁无缝管焊接而成,阀板为球墨铸铁,质量可靠,比铸铁更为坚固耐用,外观更加美观,而且价格更优,又具备与管件连接所希求的快捷性,可广泛应用于给排水、消防、石油、化工、医药、钢铁等管路上作为截断或调节之用。 
技术参数和性能 
| GTD/ATD气动执行机构技术参数 | 
阀   体   参   数 | 
| 类   型 | 
双作用活塞式、弹簧复位式 | 
公称通径 | 
DN40~500mm | 
| 气源压力 | 
双作用:2-8bar/单作用:4-8bar | 
公称压力 | 
PN1.0、1.6MPa | 
| 输出力矩  | 
双作用:4N·M~10560N·M | 
阀轴材质 | 
铜 碳钢 不锈钢 | 
| 单作用:7N·M~2668N·M | 
阀体材质 | 
球墨铸铁 铜 碳钢 不锈钢 | 
| 工作温度 | 
常温型:-20℃~80℃(丁腈橡胶O型圈) | 
阀板材质 | 
球墨铸铁 QT450 球铁、碳钢、喷涂或不锈钢 铬不锈钢、铜 | 
| 高温型:-20℃~160℃(氟橡胶O型圈) | 
阀座密封 | 
橡胶 乙腈橡胶 乙丙橡胶 氟橡胶 聚四氟塑料 | 
| 动作范围 | 
0~90°±5° | 
结构形式 | 
中线型 、无销型 | 
| 接口螺纹 | 
GTD40~GTD83/ATD50~ATD88    G1/8″ | 
温度 | 
-50℃~250℃ | 
| GTD110~GTD350/ATD100~200   G1/4″ | 
适用介质 | 
水、水蒸汽、油品、空气 水、水蒸汽 水、水蒸汽、油品、空气 硝酸类 | 
| 阀位信号 | 
定位器:4~20mA/回信器:全开全关信号 | 
特点 | 
用途广、整体造价低、流量大、流阻小 | 
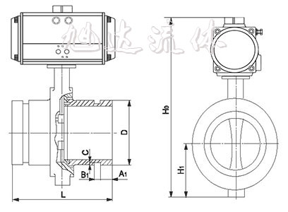
外形尺寸 
| 公称通径DN | 
A1 | 
B1 | 
C | 
D | 
H1 | 
执行器型号 | 
| 压力 | 
1.0/1.6 | 
1.0/1.6 | 
1.0/1.6 | 
1.0/1.6 | 
1.0/1.6 | 
(仅供参考) | 
| 50 | 
14.5 | 
9.5 | 
2.2 | 
57/60 | 
60 | 
50 | 
| 65 | 
14.5 | 
9.5 | 
2.2 | 
78 | 
46 | 
50 | 
| 80 | 
14.5 | 
9.5 | 
2.2 | 
89 | 
46 | 
50 | 
| 100 | 
16 | 
9.5 | 
2.2 | 
108/114 | 
52 | 
65 | 
| 125 | 
16 | 
9.5 | 
2.2 | 
133/140 | 
56 | 
85 | 
| 150 | 
16 | 
9.5 | 
2.2 | 
159/165/168 | 
56 | 
85 | 
| 200 | 
19 | 
13 | 
2.5 | 
219 | 
60 | 
95 | 
| 250 | 
19 | 
13 | 
2.5 | 
273 | 
68 | 
110 | 
| 300 | 
19 | 
13 | 
3.3 | 
325 | 
78 | 
125 | 
| 350 | 
25 | 
13 | 
3.3 | 
377 | 
78 | 
160 | 
| 400 | 
25 | 
13 | 
5.5 | 
426 | 
102 | 
160 | 
订货说明 
1、气动执行器类型:双作用、单作用 
2、介质类型、温度、压力 
3、所需附件:电磁阀、定位器、信号反馈、气源处理三联件、手动机构
          产品订购